Notice
Recent Posts
Recent Comments
Link
| 일 | 월 | 화 | 수 | 목 | 금 | 토 |
|---|---|---|---|---|---|---|
| 1 | 2 | 3 | ||||
| 4 | 5 | 6 | 7 | 8 | 9 | 10 |
| 11 | 12 | 13 | 14 | 15 | 16 | 17 |
| 18 | 19 | 20 | 21 | 22 | 23 | 24 |
| 25 | 26 | 27 | 28 | 29 | 30 | 31 |
Tags
- 컴퓨터업그레이드
- 양산조립컴퓨터
- 케이스
- 노트북수리
- 하드복구
- 양산조립PC
- 하드디스크
- SSD
- 파워서플라이
- 게임
- 컴퓨터수리
- 메인보드
- 그래픽카드
- 양산컴퓨터조립
- 컴퓨터조립
- 중고컴퓨터판매
- 스마트공장
- 양산컴퓨터수리
- 스피커
- 노트북
- 데이터복구
- 모니터수리
- 모니터판매
- 중고컴퓨터수리
- 바이러스
- MES
- 조립pc
- USB복구
- 모니터
- 조립컴퓨터
Archives
- Today
- Total
엠엔디시스템 (시스템개발문의: 055-385-4832)
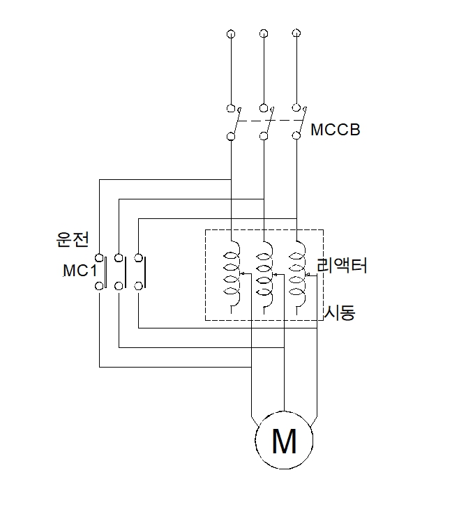
유도 전동기 본문
산업현장에서 많이 사용도하는 전동기(전동모터)
유도전동기의 기동법
1) 전전압 기동 : 전압을 직접 가하여 기동 전원용량이 적고 배전에 나쁜 영향을 준다.(소형 전동기)
2) Y-△ 기동법 : 1차권선을 Y접속을 시동. 전격속도 도달시 △접속으로 운전

3) 기동보상기법 : 단권변압기로 정격전압의 50%~80% 전압에서 기동

4) 리엑터기동법 :리액터를 직렬권선에 삽입, 단자전압을 저감하여 시동하고 정격속도 도달 시 전원을 인가한다.

5) 2차 저항기동법 : 유도전동기의 비례추이 특성을 이용한 기동법이다.

6) 2차 임피던스 기동법 : 회전자 회로에 고정저항과 리액터 병렬로 접속하여 기동하는 방법
